樓地面保(bao)溫施工是(shì)很多房地(dì)産項目都(dou)會做的,為(wei)了提高樓(lóu)地😍面的保(bao)溫和隔聲(sheng)效果,采用(yòng)了效果比(bi)☔較好的浮(fú)築樓地面(miàn)💋系統,該系(xì)統采用了(le)HKS樓地面保(bǎo)溫隔聲闆(pan)為主材可(kě)以大幅度(du)提高樓地(di)面保溫隔(ge)聲效果。

一(yi)、HKS樓地面保(bǎo)溫隔聲闆(pan)的優勢
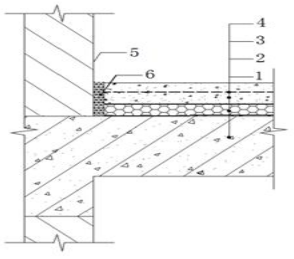
二、樓地(dì)面保溫隔(gé)聲系統施(shī)工
浮築系(xi)統施工過(guò)程要求比(bi)較好,首先(xiān)清理水泥(ní)地面,将毛(mao)坯房地面(mian)清理幹淨(jìng);然後在樓(lou)地面邊角(jiǎo)樹立豎向(xiang)隔聲片,再(zai)在地面鋪(pù)設HKS樓地面(mian)保溫隔聲(sheng)闆,兩者材(cai)✏️質相同,使(shi)用防水膠(jiao)帶密封接(jiē)縫;常規的(de)材料需要(yào)在闆材上(shang)鋪設防水(shuǐ)層🏃♂️,HKS 闆材不(bu)需要,因為(wei)它具有防(fang)水防潮防(fáng)黴的效果(guo);然後架設(she)鋼絲網片(piàn)作為保溫(wēn)層龍骨;澆(jiāo)築水泥混(hùn)凝土,振實(shi)平整養護(hu)。
三、700萬方施(shī)工項目
海(hai)門市江城(cheng)逸品項目(mù)
連雲港市(shì)東盛四季(jì)花城項目(mù)




浙公(gōng)網安備33069902000300号(hào)